С 7-40
Характеристики изделия:
| Параметр | Значение |
|---|---|
| длина | 7000 мм |
| ширина | 400 мм |
| высота | 400 мм |
| вес | 2750 кг |
| серия | 1.011.1-7 |
Цена:
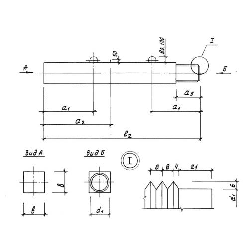
Рассчитать стоимостьС 7-40 Свая составная верхняя квадратного сплошного сечения по серии 1.011.1-7.
| Параметр | Значение |
|---|---|
| длина | 7000 мм |
| ширина | 400 мм |
| высота | 400 мм |
| вес | 2750 кг |
| серия | 1.011.1-7 |
С 7-40 Свая составная верхняя квадратного сплошного сечения по серии 1.011.1-7.
