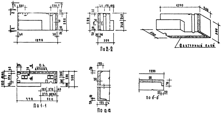
НБУ-13.6.5л
Характеристики изделия:
| Параметр | Значение |
|---|---|
| Длина | 1290 мм |
| Ширина | 500 мм |
| Высота | 580 мм |
| Масса | 615 кг |
| Нормативный документ | Серия 1.133-1 |
Цена:
Рассчитать стоимостьСтеновые легкобетонные блоки толщиной 50 см по Серии 1.133-1.
НБУ-13.6.5л Поясной блок угловой.