УБ 12.80

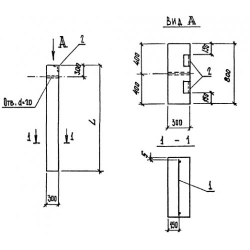
Чертеж изделия:
Характеристики изделия:
ПараметрЗначение
длина1185 мм
ширина300 мм
высота800 мм
вес700 кг
серия1.432.1-20

УБ 12.80 Блоки угловые по серии 1.432.1-20.