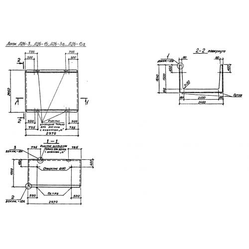
Л 26/2 лотки

Чертеж изделия:
Характеристики изделия:
ПараметрЗначение
длина2970 мм
ширина2460 мм
высота1640 мм
масса5480 кг
нормативный документСерия 3.006.1-2/87

Л 26/2 Лотки теплотрасс Серия 3.006.1-2/87.