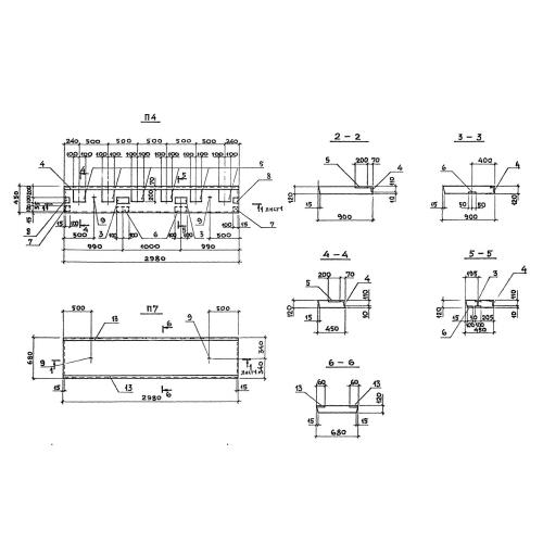
П-7

Чертеж изделия:
Характеристики изделия:
ПараметрЗначение
длина2980 мм
ширина680 мм
высота120 мм
вес600 кг
серия3.006.1-7

П-7 Плиты перекрытия или торца канала по серии 3.006.1-7.