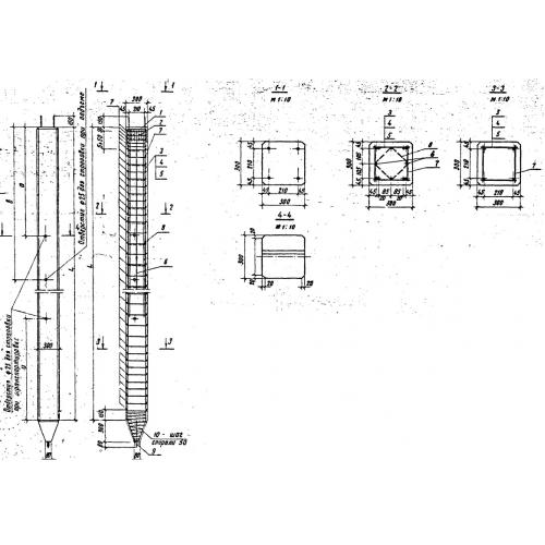
СВ 120-30

Чертеж изделия:
Характеристики изделия:
ПараметрЗначение
длина12000 мм
ширина300 мм
высота300 мм
вес2700 кг
серия3.501.1-131

СВ 120-30 Сваи по серии 3.501.1-131.