ПД

Чертеж изделия:
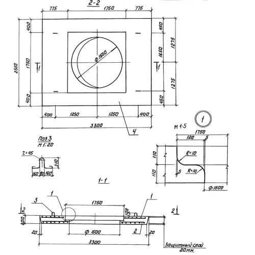
Характеристики изделия:
ПараметрЗначение
длина3300 мм
ширина2550 мм
высота200 мм
вес3250 кг
серияТПР 902-09-22.84

ПД Плиты дорожные по проекту ТПР 902-09-22.84.