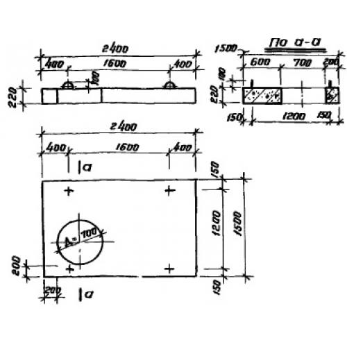
КЦП 24-15
Характеристики изделия:
| Параметр | Значение |
|---|---|
| длина | 2400 мм |
| ширина | 1500 мм |
| высота | 220 мм |
| вес | 1811 кг |
| серия | ТП 902-9-1. |
Цена:
Рассчитать стоимостьКЦП 24-15 Плиты перекрытия ливневой канализации по проекту ТП 902-9-1.
| Параметр | Значение |
|---|---|
| длина | 2400 мм |
| ширина | 1500 мм |
| высота | 220 мм |
| вес | 1811 кг |
| серия | ТП 902-9-1. |
КЦП 24-15 Плиты перекрытия ливневой канализации по проекту ТП 902-9-1.
