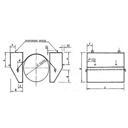
УБО 1220 утяжелители охватывающего типа
Характеристики изделия:
| Параметр | Значение |
|---|---|
| длина | 1350 мм |
| ширина | 600 мм |
| высота | 1400 мм |
| масса | 4232 кг |
| нормативный документ | ВСН 007-88 |
Цена:
Рассчитать стоимостьУБО 1220 Утяжелители бетонные охватывающего типа ВСН 007-88.
